以上价格均为四级卧式单电机不含税不含运费价格,如需立式电机另外加,配泵的要加泵的价格,购买前请先咨询客服!




 









 

德克玛液压制造有限公司系专业生产液压元件及系统的现代化企业,公司实力雄厚,设备先进。拥有高精度数控机床480多台套,其中包括德国“德克”、日本“KOUMA”、“森精机”、日立、美国“哈延”、台湾“东台精机”、“台中精机”等公司生产的数控车群和立式加工中心群。还有国内外高精度槽磨、曲线磨等专机和韩国高精度双端面研磨机,配备了日本三丰公司的精密三坐标测仪等完善、全套的生产检测设备。同时利用三维参数化辅助设计制造系统(CAD/CAM)与电脑管理系统进行有机串联,使公司技术、生产、销售、质量等全面水平得到了极大的提升,助推企业快速发展。公司多项产品取得发明专利和实用新型专利,是国家级火炬计划项目企业、浙江省科技型企业。
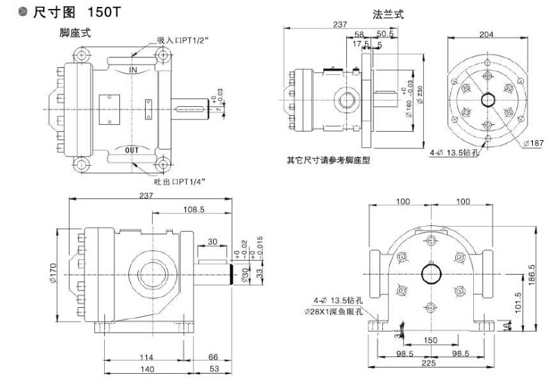
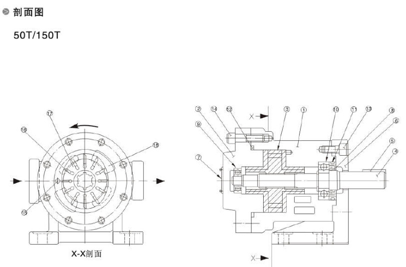
    本公司主营产品有:轴向变量柱塞泵、定量叶片泵、V、VQ、SQP系列叶片泵、VP系列变量叶片泵、50T、150T系列低压定量叶片泵、高压齿轮泵、电机、方向控制阀、压力控制阀、流量控制阀、叠加阀、零泄漏电动止回阀、电液比例阀、力士乐型液压阀、压力继电器、注油机、回转油缸、冷却器、液压附件、液压缸、液压系统、技术资料等主营产品。
    企业率先通过欧盟CE认证、IS09001质量管理体系认证,严格的质量管理体系和权威的质量管理体制机构有力保证了产品质量的可靠性。
    公司以人为本,汇聚了一批高级技术人才,研发团队均由高级工程师和博士研究组成,不断进行产品的研究和设计,使公司的产品具有优异的实用价值,并拥有完善的试验设施,保证了产品的完美品质。
    公司始终秉承“质量为生命、服务为灵魂、超前服务为特色、高效率为吸引力、用户满意为最终追求”的经营理念,“依托科技进步、实施精细管理、恪守诚信准则、追求优质高效”的质量管理方针,为用户创造价值。现生产1000余种液压元件产品,销售网络遍布全国30个省、市、自冶区,并出口台湾及海外市场。欢迎有识之士携手共赢,共创未来!


关于发货
      亲,能拍下的商品均为现货商品,我们在收款后为您进行商品发货。若您有其他要求,可以给我们留言或通过在线的客服进行沟通。
关于色差
     我司商品均实物拍摄,但因拍摄灯光,显示器的色值偏差及个人对颜色的理解度不同,实物与照片会有一定的色差,此情况实属难免,最终颜色以商品实物为准。
退换货服务
      因产品质量问题造成的退换货,本店承担所有责任及其所发生的任何费用;如拍后因买家自身问题退货,请提前告知店主,因非质量问题造成的退换货,将由客户您承担所有责任及其所发生的任何费用。退回时请务必保证宝贝的完整(包括塑料袋,盒子的完整),且不影响二次销售,会为您办理退换货手续!
快递签收
     收件时请务必当着快递面拆开检查无误后再签收,如有不妥,请拒绝签收,或者立即与在线客服取得联系。快递公司的业务员素质参差不齐,几乎所有的快递公司都会有这样的问题。如果你要让同事,门卫代签,事先也要做好沟通工作,一经签收,就代表着你已经认可,再发现问题找快递公司索赔,他们是不会认账的!当然店主也是没有办法负责任的!要切记哦!
关于评价
    关于评价在每次交易后,都有一次对店主的产品及服务评价的机会,我们非常非常重视各位买家的评价,力求做到好评。如果有任何问题,请务必先联系后评价。只要是合理的范围内,一定妥善解决。无故中评或差评的,必定投诉到底!
关于发票
   在本店购物开正规机发票,需要开票的亲,请务必备注发票抬头;谢谢合作!

 




 
 
 


 
 
 
 





 19228131880微信
19228131880微信