





![]() |
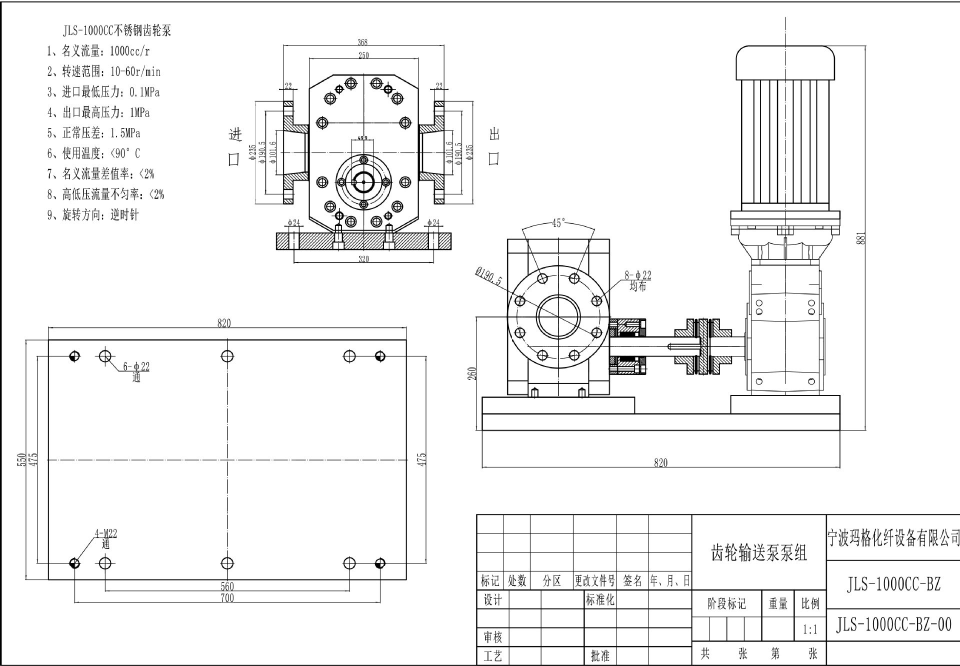
名称:腈纶原液,碳纤维,DMAC有机溶剂输送齿轮泵 类型:大流量,不锈钢,小体积,强自吸,压力稳计量齿轮输送泵 型号:JLS-1000CC-BZ 驱动方式:德国sew电机驱动 转速:5-50r/min 材质:不锈钢 压力:≤3mpa 流量:1000-1200ml/rev 密封方式:填料密封 进/出口:DN100/DN100 |




|
齿轮计量泵的工作原理,齿轮计量泵是通过一对相互啮合的齿轮,其中一个是主动齿轮,另外一个是被动齿轮,由主动齿轮带动啮合旋转。齿轮于泵的壳体直接留有较小的间隙。当齿轮旋转时,在轮齿逐渐脱离啮合的吸液腔中,齿间密闭容积增大,形成局部真空,液体在压差作用下吸入吸液室,随着齿轮旋转,液体分两路在齿轮与壳体之间被齿轮推动前进,送到排液腔,在排液腔中两齿轮逐渐啮合,容积减少,齿轮间的液体被挤压至排液口。 |



宁波玛格化纤设备有限公司位于长三角经济区重要港城——浙江省宁波市。我公司是一家专业研发、制造高
精度化纤纺丝计量泵和各种大型齿轮输送泵的高新技术企业。
公司聘请多年从事齿轮计量泵研发设计的高级工程师,工艺师及车间师傅。完全按照ISO质量管理体系对产
品进行标准化检验、生产。致力于制造高品质产品。玛格公司作为国内著名的产品供应商,拥有去完善的销
售网络,为广大用户提供更全面的系统方案及售前、售后服务。并由销售工程部为用户解决流体工艺中的流
体计量、输送等技术难题。在选料、表面处理与制造工艺方面有独到的技术,产品完全可以替代进口产品,
得到广大客户的认可。
主要产品:K系列聚氨酯计量泵,JSS系列大型不锈钢齿轮输送泵,JS系列腈纶计量泵,JRG系列长丝(短丝)
计量泵,JF系列1313、1414芳纶计量泵,粘胶长丝计量泵系列JN2-0.835、JN2-0.6,粘胶短丝计量泵系列
JN -(10-100)CC,油剂泵及各种特制齿轮泵等。
主要设备:公司拥有国内外品牌6台加工中心(保证加工精度和工期),多台数控车床、普通车床,内圆磨,
MM高精度外圆磨,MM高精度平面磨,光栅数显外径测仪,内孔气动量仪及硬度计等,并于多家拥有进口高精
度磨齿机、齿轮检测仪、三坐标测量仪的企业保持这良好的合作关系。















