 

温馨提示:价格属性仅供参考,详情来电咨询或旺旺咨询。




 

   

工作原理及特点 
    旋涡气泵的叶轮由数十片叶片组成,它类似庞大的气轮机的叶轮。叶轮叶片中的空气受到了离心力的作用向叶轮的边缘云运动,在那里空气进入泵体的环形空腔,然后又返回叶轮,重新从叶轮的起点以同样的方式再进行循环。叶轮旋转所产生循环气流,以级高的能量离开气泵以供使用。
    旋涡气泵采用专用电机,结构紧凑、体积小、重量轻、噪音低。送出的气源无水无油。
用途及使用范围 
    XGB型旋涡气泵是一种吹气或吸气两用的通用气源。它主要用于:切纸机、燃烧降氧机、卷烟滤嘴成型机,电镀槽液搅拌、雾化干燥机、水处理爆气、养鱼增氧、丝网印刷机、照相制版机、注塑机、自动上料烘干机、液体灌装机、粉末灌装机、电焊设备、电影机械、纸张输送、干洗衣服的清洁、空气除尘、干瓶、气体传送、清洁吹干、粉沫冶金、工业吸尘、食品、包装、收集等方面。
使用和维护 
气泵应放置在较平稳的地方,周围环境应清洁、干燥、通风。
气泵叶轮旋转方向必须与风扇罩壳上所标箭头方向一致。
像一般电动机一样定期维修和给两端轴承加润滑脂。(3#二硫化钼锂基脂或7018高速润滑 脂)
进出口两端的过滤网和消音器应根据情况适时清洗,以免堵塞影响使用。
气泵出气口与外管道之间应使用增强橡胶(或塑料)管软联接。
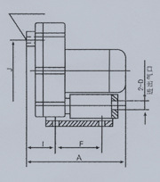
XGB型旋涡气泵外形尺寸图
 
  
  
 
 
XGB型旋涡气泵气泵技术参数
| 型号 | 1 | 2 | 3 | 4 | 5 | 6G | 7 | 8 | 9 | |
| 最大压力kpa | 65 | 60 | 50 | 33 | 30 | 40 | 26 | 11 | 24 | |
| 最大真空度kpa | 36.5 | 35 | 30 | 26 | 21 | 29 | 20 | 10 | 16 | |
| 最大气流m3/h | 280 | 780 | 720 | 320 | 280 | 360 | 180 | 40 | 150 | |
| 电动机 | 电压v | 380 | 380 | 380 | 380 | 380 | 380 | 380 | 1Φ×220v 3Φ×380v | 380 | 
| 功率kw | 7.5 | 15 | 11 | 4 | 3 | 5.5 | 2.2 | 0.38 | 1.5 | |
| 型号 | Y132S 2 | Y160M 2 | Y112M 2 | Y100L 2 | Y132S 2 | Y90L 2 | AO7112 | AO8032 | ||
| 外形尺寸mm | A | 950 | 700 | 700 | 440 | 424 | 530 | 370 | 275 | 340 | 
| B | 420 | 616 | 620 | 436 | 415 | 480 | 390 | 250 | 360 | |
| C | 450 | 660 | 680 | 470 | 450 | 540 | 410 | 265 | 390 | |
| 联接尺寸mm | D | M75×2 | G4 | G4 | M75×2 | M75×2 | M75×2 | G2" | G1×1/4 | G2" | 
| E | 194 | 140 | 134 | 150 | 130 | 87 | 118 | |||
| 安装尺寸mm | F | 400 | 400 | 200 | 200 | 216 | 200 | 80 | 200 | |
| G | 500 | 530 | 310 | 305 | 350 | 305 | 200 | 305 | ||
| H | Φ14 | Φ12 | Φ12 | Φ14 | Φ12 | Φ10 | Φ12 | |||
| I | 230 | 150 | 68 | 168 | 60 | 74 | 50 | |||
| J | Φ420 | Φ341 | Φ330 | Φ380 | Φ235 | Φ140 | Φ218 | |||
| K | M12 | M10 | M10 | M10 | M10 | M8 | M10 | |||
| L | 600 | 410 | 364 | 470 | 334 | 218 | 308 | |||
| 重量kg | 90 | 250 | 230 | 70 | 55 | 130 | 40 | 16 | 35 | |
| 图-2 | 图-2 | 图-2 | 图-1 | 图-2 | 图-1 | 图-1 | 图-1 | |||
| 10 | 11 | 12 | 13 | 14 | 15 | 16 | 17 | 
| 50 | 18 | 14 | 16 | 42 | 80 | 50 | 55 | 
| 31 | 15 | 11 | 12 | 30 | 45 | 30 | 35 | 
| 950 | 120 | 100 | 110 | 480 | 1000 | 680 | 180 | 
| 380 | 1Φ×220v 3Φ×380v | 1Φ×220v 3Φ×380v | 1Φ×220v 3Φ×380v | 380 | 380 | 380 | 380 | 
| 18.5 | 1.1 | 0.55 | 0.75 | 7.5 | 22 | 7.5 | 5.5 | 
| Y160L 2 | JW7132 | JW7112 | JW7122 | Y132S 2 | Y132S 2 | Y132S 2 | |
| 700 | 330 | 320 | 320 | 530 | 600 | 950 | |
| 616 | 324 | 310 | 310 | 510 | 620 | 420 | |
| 660 | 350 | 340 | 340 | 565 | 640 | 430 | |
| G4" | G1×1/2 | G1×1/2 | G1×1/2 | M75×2 | G4" | M75×2 | |
| 165 | 108 | 100 | 108 | 158 | 158 | ||
| 400 | 180 | 180 | 180 | 170 | 300 | 170 | |
| 500 | 280 | 280 | 280 | 350 | 430 | 350 | |
| Φ14 | Φ10 | Φ10 | Φ10 | Φ14 | Φ14 | ||
| 188 | 45 | 134 | 45 | 180 | 180 | ||
| / | Φ190 | Φ200 | Φ200 | 400 | Φ400 | ||
| / | M8 | / | M8 | M10 | M12 | ||
| 600 | 270 | 256 | 270 | 488 | 488 | ||
| 215 | 21 | 18 | 21 | 145 | 290 | 170 | 170 | 
| 图-2 | 图-1 | 图-1 | 图-1 | 图-2 | 图-2 | 
XGB型旋涡气泵曲图

  

联 系 人:刘银  
电 话:86 0510 88263092/88261771
移动电话: 13701518686
传 真:86 0510 88263092
地 址:中国 江苏 无锡市锡山区 锡山经济开发区杨亭工业区

 

无锡强泰机械制造有限公司是气泵、旋涡气泵、防爆气泵、XGB型气泵、离心气泵、层叠式气泵、吹吸两用气泵、真空泵、DLB型气泵等产品专业生产加工的公司,拥有完整、科学的质量管理体系。无锡强泰机械制造有限公司的诚信、实力和产品质量获得业界的认可。公司将以长远的眼光、诚信负责的操守、共同成长的理念,发展公司的事业。
    与公司相关利益共同体和谐发展,以受到用户、员工、股东、合作夥伴和社会的尊敬为自身的自豪和追求; 
·坚持“用户第一”理念,从创造用户价值、社会价值开始,从而提升企业价值,同时促进社会文明的繁荣;
·重视员工利益,激发员工潜能,在企业价值最大化的前提下追求员工价值的最大实现;
·与所有合作夥伴一起成长,分享成长的价值;
·不忘关爱社会、回馈社会,以身作则,推动行业的健康发展。
欢迎各界朋友莅临参观、指导和业务洽谈。




 
 
 


 
 
 
 





 19228131880微信
19228131880微信