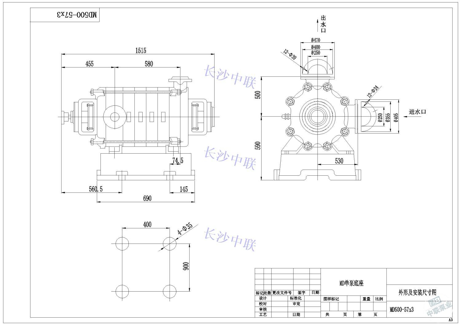
型号:MD500-57X3
额定流量(m3/h):500
额定扬程(m):171
额定效率(%):77
轴功率(kw):302.58
汽蚀(m):6
叶轮最大外径:432(mm)
转速(rpm):1480
叶轮级数:3
叶轮材料:ZG230-450,QT500-7
泵体材料:ZG230-450,QT500-7
导叶材料:QT500-7
通过颗粒:<0.5mm
介质温度:≤80℃
电机功率(kw):355
电机型号:Y4001-4
结构类型:单泵底座
叶轮转向:顺时针
进出口口径尺寸:DN
进口口径:250
出口口径:250
重量(kg):1950
MD500-57X3矿用多级泵性能曲线图

MD500-57X3矿用多级泵安装图

MD500-57X3矿用多级泵结构图

MD型矿用多级离心泵是卧式、单吸、多级分段式离心泵。泵的进口水平,出口垂直,用拉紧螺栓将泵的吸入段、中段、出水段联结成一体。
卧式多级泵转子部件主要由装在轴上的叶轮、平衡盘等零件组成,转子两端由用黄油润滑的单列向心滚动轴承支承。转子轴向力由平衡盘平衡。
泵的密封:进水段、中段、出水段之间的静止结合面采用二硫化钼密封,也有用纸垫密封,拆后重装时必须用原材料密封,为防止水进入两端轴承,采用“O”型胶圈及挡水圈密封。泵的转动部份与固定部份之间由密封环、导叶套和填料密封。填料腔中通入有一定压力的水,起水封和冷却作用。
泵的传动是通过联轴器由电机直接驱动,从电机方向看泵,泵为顺时针方向旋转。


