

1.泵浦简介
WD-07旋涡泵是管径式高温介质移送循环旋涡泵移送循环介质为不含颗粒、纤维的液体(水、导热油)。具有节约安装空间、外观精致、高强度、配合精密、耐高温、运行平衡等特点。广泛应用于小型精密控模温机、医疗灭菌、小型热油炉、锅炉补水、实验设备、恒温油槽等行业。
2.产品图片

3.泵浦特点
◆泵体采用全铜材质、外观精致、配合精密、性能高;
◆低噪音、低耗能、无动脉、流速快、高扬程、稳定性更好;
◆ 现场维修保养简单、为用户降低成本;
4.泵浦材质
◆ 泵体:黄铜 ◆ 轴芯材质:不锈钢
◆ 密封材质:碳化硅+石墨+高温橡胶 ◆ 叶轮:黄铜
◆ 电机绝缘等级:F级 ◆ 电机防护等级:IP54
5.使用条件:
◆ 高温热水:+5℃ - +160℃ ◆ Thermal conductivity water: +5℃ - +160℃
◆ 高温导热油:+5℃ - +200℃ ◆ Thermal conductivity oil:+5℃ - +200℃
◆乙二醇:-35℃ - +180℃ ◆ Ethyleneglycol:-35℃ - +180℃
◆ 工作环境温度:-5℃ - +40℃ ◆ The working temperature:-5℃ - +40℃;
|
6.规格性能参数 |

|
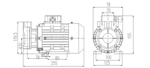
7.安装尺寸图 |






















