系列泵可作为中、低真空系统的主抽泵,也可作为分子泵、扩散泵、罗茨泵等高真空、超高真空系统的前级泵。
系列泵不得用于抽除含氧量过高、粉尘、腐蚀性、易燃易爆气体。
技术参数(表1)
表 1
| 泵型号 | 2XZ-8D | 2XZ-15D | ||
| 进气口直径 | DN40KF | DN40KF | ||
| 排气口直径 | DN40KF | DN40KF | ||
| 体积容率L/S (M3/h) | 10 (38) | 20 (76) | ||
| 实际抽速L/S (M3/h) | 9 (34) | 18 (68) | ||
| 
 极限压力 | 关气镇 | 分压力Pa | 2 x 10-2 | 2 x 10-2 | 
| 总压力Pa | 6 x 10-1 | 6 x 10-1 | ||
| 开气镇 | 分压力Pa | 6 x 10-1 | 6 x 10-1 | |
| 总压力Pa | 9 x 10-1 | 9 x 1 | ||
| 泵型号 | 2XZ-8D | 2XZ-15D | |
| 水蒸汽最大允许压力Pa | 2000 | 2000 | |
| 抽出水蒸汽最大量g/h | 570 | 1150 | |
| 噪声 | 关气镇LwdB (A) | 70 | 70 | 
| 开气镇LwdB (A) | 72 | 72 | |
| 工作温度℃ | 90 | 90 | |
| 注油量L | 3 | 4.5 | |
| 泵转速rpm | 1400 | 1400 | |
| 电机功率Kw | 1.1 | 1.5 | |
| 重量Kg | 70 | 90 | |
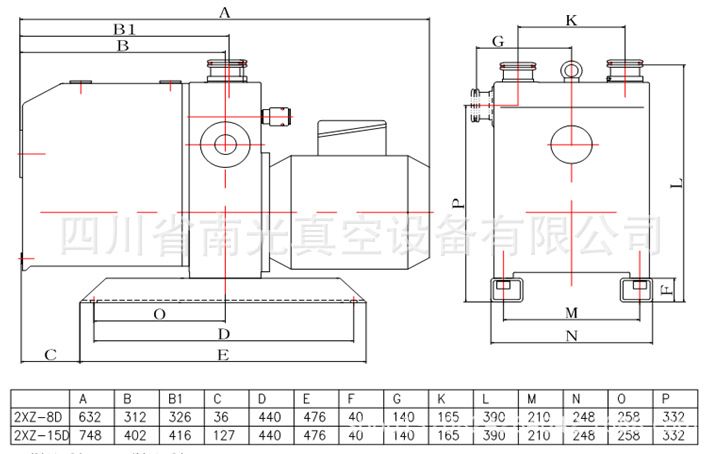
安装尺寸:




 
 
 


 
 

 
 
 







 19228131880微信
19228131880微信