



1.泵浦简介
RGP系列离心泵是轴向吸入出口偏心式高温介质移送循环离心泵,移送循环介质为不含颗粒、纤维的液体(水、导热油等)。具有安装简易、耐高温、大流量、应用广泛等特点。主要应用于大功率模温机、管道增压、锅炉回水系统、木工机械、风能科技辅助加热设备等行业。
2.泵浦特点
◆采用电机直接联接,机泵轴完全同心、震动小、噪音低、保障运行平稳;
◆节省空间, 大限度地缩小了泵的占地面积和占用空间,节省投资;
◆可靠地机械密封结构,保障了介质输送;
◆泵内除机械密封摩擦副外无任何金属性摩擦,性能保持稳定;
3.泵浦材质
◆ 泵体:铸铁 ◆ 轴芯材质:不锈钢
◆ 密封材质:碳化硅或合金+石墨+高温橡胶 ◆ 叶轮:黄铜
◆ 电机绝缘等级:F级 ◆ 电机防护等级:IP54
4.使用条件:
◆高温热水:+5℃-+160℃ ◆ Thermal conductivity water:+5℃-+160℃
◆高温导热油:+5℃ - +200℃ ◆ Thermal conductivity oil:+5℃-+200℃
◆乙二醇:-35℃ - +180℃ ◆ Ethyleneglycol:-35℃ - +180℃
◆工作环境温度:-5℃ - +40℃ ◆ The working temperature:-5℃ - +40℃;
5.规格性能参数


...................................................................................................................................................................................................
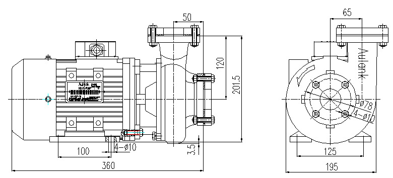
6.安装尺寸图:













