JGGC船用立式多级离心泵,主要部件均采用SUS304不锈钢为主要材料,叶轮冲压而成,质量可靠,外观优美,结构紧凑,能效较高。广泛适用于船舶压载水处理,船用锅炉给水,船用细水雾消防,及相关产品配套行业。
此系列水泵适合输送常温类似清水的液体,液体不能含有腐蚀性及杂质,液体温度较高时请配选高温机封。
型号说明:
JGGC18-186/18.5
- JGGC——表示 节能高效给水泵
- 18——表示 水泵流量为18T/H
- 186——表示 水泵扬程为186M
- 18.5——表示 水泵配套电机为18.5KW
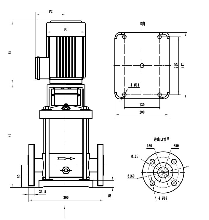
安装尺寸:
18T系列不锈钢立式多级离心泵安装尺寸图
 
                                                                                                                                                                                       
产品选型:18T

产品售后:
1.在客户正常的运输、保养、使用条件下,因产品的制造质量问题造成水泵不能正常使用的,免费退,换。
2.在接到质量信息反馈时,将在3小时内提出处理意见,协商或根据意见不能解决的,跟换新泵或到现场维修。
3.出厂产品都会附带必要的技术文件和产品合格证书。
4.根据客户需求或协议及时提供备品、备件和安装、调试、维修服务及对客户有关人员进行技术培训。
5.大型工程项目,将根据招标文件的要求组织生产、测试、检验,并配合客户现场验收。
6.严格按照IS09001,CCS等标准组织原材料、零部件的采购,产品的生产、检验。






 
 
 


 
 
 
 

 
 
 







 19228131880微信
19228131880微信