
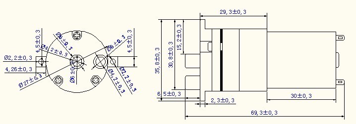
咖啡机隔膜水泵DQB410-SB尺寸图如下

咖啡机隔膜水泵是指体积小巧,工作介质为气态,主用途分为:微型负压泵,微型真空泵,微型气体循环泵,微型气泵,微型气体采样泵,微型充气泵,微型抽气泵,微型抽气打气两用泵等。按工作原理分为:隔膜式、电磁式、叶轮式、活塞式等。
热忱欢迎有需求的客户前来咨询咖啡机隔膜水泵,销售热线:18028794005,在线QQ:1811561735,黄小姐竭诚为您服务!
邮箱:sales08@dyxminipump.com
咖啡机隔膜水泵DQB410-SB产品参数如下
Rated Voitage 额定电压:DC 6.0V 12V
Rated Cwrent 额定电流:<1100MA <600MA
Air Flow WithoutLoad 充气流量:吸水1MIN /0.8-1.2LPM 吸气1MIN /1.8-2.2LPM Pressure 压力范围:400-750mmhg
Leakage 密封性: 在500CC 容器中充气压力从0到300±10 mmHg之后停止充气,安定30秒后测其减少之压力值小于15mmHg/min。
Apply 可使用流体:水,空气
Life Test 使用寿命:工作60秒停10秒为一回圈测试10,000 次以后
Environment 使用温度范围: 0oC ~55oC
Noise Level 噪音:将气泵之下垫5cm之海绵, 距噪音计30cm之处(<65dB)
Appearance size 外观尺寸:27*69
Rated power 额定功率:7.2W
公司地址:深圳市龙岗区平湖镇辅城坳成龙东路21号—咖啡机隔膜水泵
分厂地址:湖南省常德山乾明南路电子信息产业园1号楼—咖啡机隔膜水泵
公司网址:http://dyxpump.cn.alibaba.com




 
 
 


 
 
 
 

 





 19228131880微信
19228131880微信