| KCB齿轮油泵 产品介绍: | 
1、KCB齿轮油泵适用于输送各种有润滑性的液体,温度不高于70℃,如需高温200℃,同本单位联系可配用耐高温材料,粘度为5×10-5~1.5×10-3m2/s。
2、KCB齿轮泵不适用于输送腐蚀性的、含硬质颗粒或纤维的、高度挥发或闪点低的液体,如汽油、笨等。(如该泵采用铜齿轮,可用于汽油;如该泵采用不锈钢,可输送一般腐蚀性液体。订购时请说明!)
| KCB齿轮油泵 型号意义: | 
    
| KCB齿轮油泵 产品特点: | 
1.2CY、KCB齿轮式输油泵结构简单紧凑.使用和保养方便,
2.2CY、KCB齿轮式输油泵具良好的自吸性,齿轮泵每次开泵前无需灌人液体。
3.2CY、KCB齿轮泵的润滑是靠输送的液体而自动达到.故日常工作时无需另加润滑液。
4.利用弹性联轴器传递动力可以补偿因安装时所引起的微小偏差。在泵工作中受到液压冲击时,能起到较号的缓冲作用。
| KCB齿轮油泵 工作原理: | 
               
2CY、KCB齿轮式输油泵在泵体中装有一对回转齿轮,一个主动,一个被动,依靠两齿轮的相互啮合,把泵内的整个工作腔分两个独立的部分。A为入吸腔,B为排出腔。泵运转时主动齿轮带动被动齿轮旋转,当齿轮从啮合到脱开时在吸入侧(A)就形成局部真空,液体被吸入。被吸入的液体充满齿轮的各个齿谷而带到排出侧(B),齿轮进入啮合时液体被挤出,形成高压液体并经泵的排出口排出泵外。
| KCB齿轮油泵 结构特点: | 
1.2CY、KCB齿轮式输油泵是卧式回转泵,主要有泵体、齿轮、轴承座、泄压阀、轴承及密封装置等机件组成。
2.泵体、轴承座等为灰铸铁件,齿轮用碳素钢材制作,亦可根据用户特殊需要用铜材料或不锈钢材料制作。
3.轴承座上有一填料函室,起轴向密封作用。KCB-300~960型泵采用骨架密封装置(也可根据客户需要更换密封形式,例如:机械密封。)轴承采用单列向心球轴承。KCB-18.3~83.3型泵采用二个耐油橡胶圈和中间衬隔的一个挡圈组成,调节压紧盖上的两只螺母来调节密封的程度,轴承采用铜基粉末含油轴承。另外,本系列泵均可采用弹性好,耐高温和低温、化学性质稳定且有自润滑性能的柔性石墨做为填料。
4.泵内装有泄压阀,当泵或排出管道发生故障或误将排出阀门关闭而产生高压和高压冲击时泄压阀就会自动打开,卸除部分或全部的高压液体回到低压腔,从而对泵及管道起到保护作用。
5.用弹性联轴器直接与驱动电机联接,并安装在公共铸铁底盘上。
| KCB齿轮泵 性能参数: | 
     
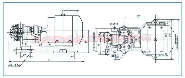
| KCB齿轮油泵 安装尺寸: | 
( 图一)
    
      


 
 
 


 
 
 
 

 
 
 
 
 



















 19228131880微信
19228131880微信