全球泵阀网

微信扫一扫

微信小程序
天下好货一手掌握

扫一扫关注

扫一扫微信关注
天下好货一手掌握
 
 

供应普通防爆型电动执行器DZW15南京科远阀门驱动装置电动阀门信息二维码

微信扫码

1200.00元/件
发货地 北京
评价 已有 0 条评价对比
人气 已有 589 人关注
数量
+-
库存1000
 
联系方式
加关注2

浙江东航消防泵业有限公司

管理员第9年
资料通过认证
保证金未缴纳
  • 北京
  • 上次登录 昨天 10:52
  • 0576-84275765
  • 13686868686
  • 全球泵阀网 (先生)  

企业主推商品

更多>
信息二维码

微信扫码

 
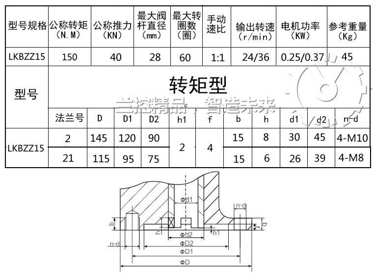
加工定制 品牌 扬州兰控 型号 LKBZZ15-24-3W
产品用途 用于阀门开启、关闭或调节 驱动能源 电动执行器 主要下游平台 独立站



举报收藏 0

类似商品

更多>