
 

 

TXCB12-BG*/2.5多功能齿轮泵是我厂最新设计的新产品,该泵主要采用优质合金钢为心脏,泵体为HT300球墨铸铁,传动采用SF-1型复合轴套,轴向油封采用管架及高温橡胶油封,该泵广泛适用于抽水,油墨,煤油,高温耐酸,也可作为陶瓷,玻璃等行业锅炉输油用泵。
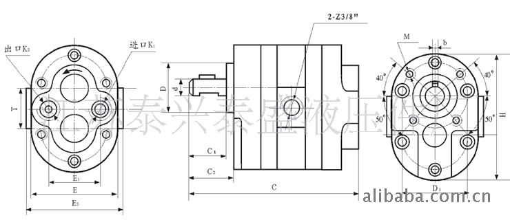
外形图;
 

技术说明
| 型号 | 额定流量 L/min | 额定压力 MPa | 额定转速 r/min | 容积效率 ηv% | 总效率 ηt% | 压力脉动 MPa | 噪声值 分贝 | 驱动功率 kw | 重量 kg | 
| TXCB12-BG2.5/2.5 | 2.5 | 2.5 | 1450 | ≥70 | ≥63 | ±0.15 | 62~65 | 0.18 | 1.6 | 
| TXCB12-BG4/2.5 | 4 | ≥80 | ≥72 | 0.21 | 1.7 | ||||
| TXCB12-BG6/2.5 | 6 | 0.31 | 1.8 | ||||||
| TXCB12-BG10/2.5 | 10 | ≥90 | ≥81 | 0.51 | 2.1 | ||||
| TXCB12-BG16/2.5 | 16 | 67~70 | 0.82 | 4.2 | |||||
| TXCB12-BG20/2.5 | 20 | 1.02 | 4.4 | ||||||
| TXCB12-BG25/2.5 | 25 | 1.30 | 4.6 | ||||||
| TXCB12-BG32/2.5 | 32 | ≥94 | ≥85 | 1.65 | 5.0 | ||||
| TXCB12-BG40/2.5 | 40 | 74~77 | 2.1 | 7.2 | |||||
| TXCB12-BG50/2.5 | 50 | 2.6 | 7.6 | ||||||
| TXCB12-BG63/2.5 | 63 | 3.3 | 7.8 | ||||||
| TXCB12-BG80/2.5 | 80 | 80~83 | 4.1 | 12.6 | |||||
| TXCB12-BG100/2.5 | 100 | ≥95 | ≥86 | 5.1 | 13.3 | ||||
| TXCB12-BG125/2.5 | 125 | 6.5 | 14.5 | ||||||
| TXCB12-BG160/2.5 | 160 | 8.2 | 15.6 | 
五、技术规格
| 型号 | C | E | H | C1 | C2 | D(f8) | D1 | d(h7) | E1 | T | b | M | K1 | K2 | 
| TXCB12-BG2.5/2.5 | 79 | 66 | 96 | 25 | 30 | Φ35 | Φ50 | Φ12 | 35 | 30 | 4 | M6 | Z3/8" | Z3/8" | 
| TXCB12-BG4/2.5 | 82 | |||||||||||||
| TXCB12-BG6/2.5 | 86 | |||||||||||||
| TXCB12-BG10/2.5 | 94 | |||||||||||||
| TXCB12-BG16/2.5 | 107 | 90 | 132 | 30 | 35 | Φ50 | Φ55 | Φ6 | 50 | 42 | 5 | M8 | Z3/4" | Z3/4" | 
| TXCB12-BG20/2.5 | 111 | |||||||||||||
| TXCB12-BG25/2.5 | 115 | |||||||||||||
| TXCB12-BG32/2.5 | 121 | |||||||||||||
| TXCB12-BG40/2.5 | 132 | 102 | 154 | 35 | 40 | Φ55 | Φ80 | Φ22 | 55 | 52 | 6 | M8 | Z1" | Z3/4" | 
| TXCB12-BG50/2.5 | 138 | |||||||||||||
| TXCB12-BG63/2.5 | 144 | |||||||||||||
| TXCB12-BG80/2.5 | 158 | 121 | 186 | 45 | 50 | Φ70 | Φ95 | Φ30 | 65 | 65 | 8 | M8 | Z11/4" | Z1" | 
| TXCB12-BG100/2.5 | 165 | |||||||||||||
| TXCB12-BG125/2.5 | 174 | |||||||||||||
| TXCB12-BG160/2.5 | 186 | Φ35 | 
注:介质温度60℃~200℃时,订货时说明。可根据客户要求设计制造。
TXCB12-BG*/2.5系列齿轮泵使用维护说明:
1、产品用途:
本系列齿轮泵适用于低压液压系统中,用以输送粘度为1~ 8°矿物油,油温在10℃~60℃,如液压油、机械油、燃料油,转速1000-1500转/分,应用于机床、液压机械、工程机械的液压系统,作为系统的动力源,也可用于稀油站、冶金、矿山、石油、化工、纺织机械等设备中作输油泵、润滑泵、增压泵、燃油泵用。
2、结构特性:
2.1齿轮泵主要有泵体、齿轮、前盖、后盖、轴承、骨架油封等零部件组成。
2.2泵体、前、后盖选用HT250灰铸铁,齿轮采用优质粉末冶金,泵轴选用40Cr结合钢淬硬处理,轴承选用SF-1无油润滑轴承或滚针轴承,密封采用双唇丁睛橡胶(注:油液温度在60℃-200℃时或输送介质有腐蚀性时,订货时说明),使齿轮泵工作性能稳定耐磨损,寿命长,使用斜齿轮,声音会更低。
3、泵的特点:
3.1体积小,重量轻,结构简单,价格低,工作可靠。
3.2具有很好的自吸性,开机时无需灌油,首次使用也不需灌油。
3.3安装、使用、维护方便。
4、安装、操作及注意事项:
4.1安装:
a泵轴如与电机联接,应采用弹性联轴器,同心度应在0.1mm以内,用手旋转联轴器不得有过紧或轻重不均的现象。
b泵轴如与孔联接,泵轴与孔的配合间隙应在0.02-0.03mm之间不许强行敲打,以免使泵轴卡死。
c泵的进油管径不得小于或大于泵的进口直径,进油管设计要尽可能短,弯路尽量少,出油管径不得小于进油管径的3/4。管道安装前应将内壁用高压油清洗干净,不得存在硬颗粒杂物,进油管应安装过滤器,过滤器的流量应是泵流量的二倍,进油管路部分的所有接头密封要可靠,不得漏气。
4.2操作:
a点动电机,确认泵油的旋转方向是否与标牌上箭头指向相同。
b开机运转后应检查泵进出口压力在泵的规定使用压力范围内。
c观察泵在运转过程中是否有异常声音或过热现象,如有要停机检查。
4.3注意事项:
a本系列泵不适用于输送高度挥发或闪点低的液体,如酒精、苯等。
b本系列泵不可以反转,如需反转泵,订货时说明。型号标记为:CB-B※※F系列摆线齿轮油泵。
c常见故障及排除方法:
| 现象 | 产生原因 | 排除方法 | 
| 不出油或出油少 | 1、旋转方向不对 | 1、更正旋转方向 | 
| 2、吸油液面过低 | 2、加油使液面升到规定高度 | |
| 3、滤油器堵塞或过小 | 3、清洗滤油器或更换大流量滤油器 | |
| 4、油温过低,粘度大 | 4、预热油液 | |
| 没有压力,压力升不高 | 1、溢流阀调得过低 | 1、重新调整溢流阀 | 
| 2、油液温度升高,粘度低或液体本身粘度低 | 2、降低油温或证做间隙小的齿轮泵 | |
| 3、吸油管漏气 | 3、检查吸油管 | |
| 4、泵内零件磨损严重 | 4、更新新泵 | |
| 骨架油封漏洞 | 1、电机转向接反 | 1、调整转向 | 
| 2、油箱液面距齿轮泵平面高度过高 | 2、降低液面或重新订做填料密封齿轮泵 | |
| 有噪音或振动 | 1、泵轴与电机轴不同心 | 1、重新调整 | 
| 2、吸油管或滤油器堵塞 | 2、清降堵塞物 | |
| 3、吸油管漏气,油液有气泡 | 3、检查吸油管道 | |
| 4、吸油管过小或过长 | 4、重新调整 | |
| 5、紧固件松动 | 5、检查拧紧 | |
| 电动机过热 | 1、输出压力过高 | 1、调低压力 | 
| 2、液体温度低,粘度大或液体本身粘度大 | 2、预热油液或降低电机转速 | |
| 3、泵齿油与轴承严重磨损或咬死 | 3、拆下修理或更换新泵 | 

.png)

 







